Ersatzteile für MIKUNI VM

Sie sind hier: saarbike.de VERGASER » VERGASER-ERSATZTEILE » Teile für MIKUNI VM

ERSATZTEILE FÜR VM-VERGASER

Mikuni VM Teile

Mikuni VM Teile

Bitte einfach die benötigten Positions-Nummern notieren und per Mail anfragen -> click

Sie erhalten ind der Regel innerhalb 24 Std. Antwort.

VM14-8340

VM18-44

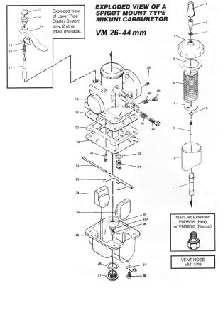
VM26 - VM44

VM14-8340 parts VM18-44 parts VM26-VM44 parts

VM29 smoothbore

VM33 smoothbore

VM34SS Y. SR500

VM29 parts VM33 parts VM34SS Yamaha SR500 parts

Mikuni Vergaser Dichtsatz, Reparatursatz / Reperatursatz VM

April 2026
MoDiMiDoFrSaSo
  12345
6789101112
13141516171819
20212223242526
27282930   
       

FEIERTAG

SONNTAG

GESCHLOSSEN

MONTAGS IMMER GESCHLOSSEN

Die Webseite befindet sich derzeit in Bearbeitung. Da meine Hauptkompetenzen ganz sicher nicht beim Webdesign liegen, kann das noch eine Weile so bleiben.

Also: Du suchst was, willst was, die Bestellung funktioniert nicht?

Schick 'ne Mail an kasi@saarbike.de

Zündanlagen programmierbar

Leistungsprüfstand

Leistungsprüfstand ZX12R

ZX12R Powercommander

Wir verwenden Cookies um unsere Website zu optimieren und Ihnen das bestmögliche Online-Erlebnis zu bieten. Mit dem Klick auf „Alle erlauben“ erklären Sie sich damit einverstanden. Klicken Sie auf Einstellungen für weiterführende Informationen und die Möglichkeit, einzelne Cookies zuzulassen oder sie zu deaktivieren.

Einstellungen